
NAGE-NA990广泛应用于6KV-35KV户内开关柜,如:中置柜、手车柜、固定柜、环网柜等多种开关柜,适用于进线柜、出线柜、电容器柜、母联柜、变压器柜、互感器柜、计量柜、电机控制柜等多种形式的主回路控制柜。本产品通过连续监测高压开关柜与断路器之间的接触点,电缆接头等运行温度,可确定触点,电缆接头处的温度升高程度,当发生超温时,监测仪发出报警指示,从而避免由于触头,电缆接头温升过高而造成烧毁等严重事故。
本产品以32位嵌入式微处理器为核心,采用低功耗设计、无线隔离等技术,具有隔离彻底、安装方便、抗干扰能力强、工作可靠等特点,能很好解决高电压状态下的温度测量问题。将温度传感器安装到带电触头上,监测仪主机的数字面板表显示出每个带电触头的温度值,并可将温度值通过RS-485接口传到上位计算机作进一步处理,实现开关柜温度的集中监测。
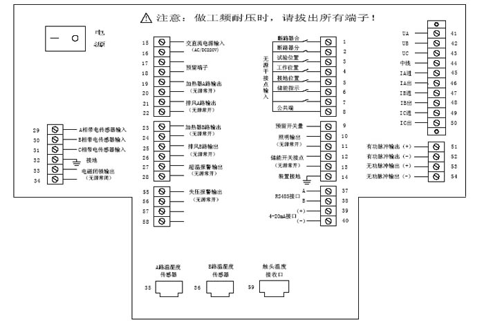
NAGE-NA990无线温度监测系统同时具备实时动态显示一次模拟图及其相应的分合位动作状态、储能指示、接地开关指示、预分预合闪光指示、带电显示及闭锁、温湿度显示及其综合电力参数测量、验电核相、语音防误提示、RS-485通信接口、DC4-20mA可编程变送口等功能并可安装多种操作旋钮和转换开关。电磁兼容性能符合GB/T17626四级要求,能够在恶劣的环境下工作。
●开孔尺寸:247mm X 171mm
●外观尺寸:260mm X 190mm
●柜内湿度控制范围:0~100%RH
●柜内温度控制范围:-20~+150℃
●柜内湿度测量精度:±3.0%RH
●柜内温度测量精度:±1℃(选配)
●电流\电压精度:0.2级(选配)
●有功功率电能:1级(选配)
●无功功率电能:2级(选配)
●无线温度传感器的测量范围:-20℃~150℃
●温度测量精度:±0.5℃
●动态闪烁频率:两次/秒
●开关量输入端子和LED数码显示关联关系:动态配置
●介质强度:≥AC2000V
●绝缘性能:≥100MΩ
●工作电压:AC85~265V/DC90~375V
●通讯方式:RS485(选配)
●通讯波特率:1200、2400、4800、9600bps
●通讯协议:ModBus
●功耗:≤10VA