
NAGE-NA980开关柜智能操控装置用于6KV-35KV户内开关柜,适用于中置柜、手车柜、固定柜、环网柜等多种开关柜。具有动态一次模拟图、断路器分合状态指示、储能指示、接地开关状态指示、小车位置指示、预分预合的闪光指示、高压带电显示、自动加热除湿数值显示及控制、柜内照明、远程就地控制、语音防误提示、RS-485通讯等功能。
NAGE-NA980开关柜智能操控装置同时具有实时测量和分析:U、I、F 、S、P、Q、PF、kWh、kvarh等电力参数的功能。
●开孔尺寸:247mm X 171mm
●外观尺寸:260mm X 190mm
●工作电压:AC85~265V/DC90~375
●整机功耗:小于10VA
●工作环境:-20~65℃ / ≤95%RH
●存储温度:-40~85℃
●控制范围:-20~150℃
●控制精度:温度±1℃ / 湿度±3%RH
●电流/电压精度:0.2级(选配)
●有功电能:1级(选配)
●无功电能:2级(选配)
●动态闪烁频率:两次/秒
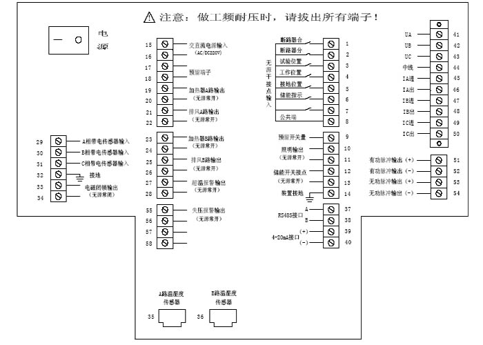
●开关量输入端子和LED数码一次模拟图显示关联关系:动态配置
●抗电强度:外壳与端子间 ≥AC2000V
●绝缘性能:外壳与端子间 ≥100MΩ
●抗干扰:符合GB/T17626.8-1998标准
●输入对输出耐压:2500V/1min
●壳材料:阻燃性符合UL94V0
●通讯方式:RS485(选配)
●通讯波特率:1200、2400、4800、9600bps
●通讯协议:ModBus
●功耗:≤10VA