
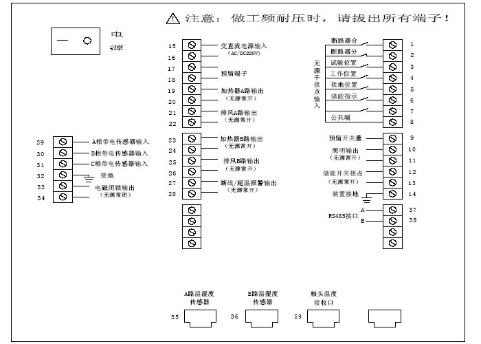
NAGE-NA970无线温度监测装置用于6KV-35KV户内开关柜,适用于中置柜、手车柜、固定柜、环网柜等多种开关柜。具有动态一次模拟图、断路器分合状态指示、储能指示、接地开关状态指示、小车位置指示、预分预合的闪光指示、高压带电显示、自动加热除湿数值显示及控制、柜内照明、远程就地控制、语音防误提示、RS-485通讯等功能。
NAGE-NA970无线温度监测装置同时具有实时在线监测开关柜内触头或电缆头温度的功能。通过连续监测高压开关柜与断路器之间的接触点,电缆接头等运行温度,可确定触点,电缆接头处的温度升高程度,当发生超温时,监测仪发出报警指示,从而避免由于触头,电缆接头温升过高而造成烧毁等严重事故。
●开孔尺寸:247mm X 171mm
●外观尺寸:260mm X 190mm
●工作电压:AC85~265V/DC90~375
●整机功耗:小于10VA
●温度控制范围:-40~+150℃
●湿度控制范围:0~100%RH
●温度测量精度:±1℃
●湿度测量精度:±3.0%RH
●无线温度传感器的测量范围:-20~150℃
●温度测量精度:±0.5℃
●动态闪烁频率:两次/秒
●开关量输入端子和LED数码显示关联关系:动态配置
●介质强度:≥AC2000V
●绝缘性能:≥100MΩ
●抗干扰:符合GB/T17626.8-1998标准
●输入对输出耐压:2500V/1min
●壳材料:阻燃性符合UL94V0
●通讯方式:RS485(选配)
●通讯波特率:1200、2400、4800、9600bps
●通讯协议:ModBus
●功耗 ≤10VA